在减速器家族中,行星减速器以其体积小,传动效率高,减速范围广,精度高等诸多优点,而被广泛应用于伺服、步进、直流等传动系统中。其作用就是在保证精密传动的前提下,主要被用来降低转速增大扭矩和降低负载/电机的转动惯量比。为了更好地帮助广大用户用好行星减速器,本文针对减速器和驱动电机断轴的原因进行了分析,并详细地介绍了如何正确安装行星减速机。 正确的安装,使用和维护减速机,是保证机械设备正常运行的重要环节。 因此,在您安装PX系列行星减速器时,请务必严格按照下面的安装使用相关事项,认真地装配和使用。 第一步是安装前确认电机和减速机是否完好无损,并且严格检查电机与减速机相连接的各部位尺寸是否匹配,这里是电机的定位凸台、输入轴与减速机凹槽等尺寸及配合公差。
第二步是旋转减速器法兰外侧防尘孔上的螺钉,调整夹紧环使其侧孔与防尘孔对齐,插入内六角旋紧。 第三步是将电机与减速器自然连接。连接时必须保证减速器输出轴与电机输入轴同心度一致,且二者外侧法兰平行。如同心度不一致,会导致电机轴折断或减速机齿轮磨损。另外,在安装时,严禁用铁锤等击打,防止轴向力或径向力过大损坏轴承或齿轮。一定要将安装螺栓旋紧之后再旋紧紧力螺栓。安装前,将电机输入轴、定位凸台及减速机连接部位的防锈油用汽油。其目的是保证连接的紧密性及运转的灵活性,并且防止不必要的磨损。 在电机与减速机连接前,请先将电机轴键槽与紧力螺栓垂直。为保证受力均匀,请先将任意对角位置的安装螺栓旋上,但不要旋紧,再旋上另外两个对角位置的安装螺栓最后逐个旋紧四个安装螺栓。 最后,旋紧紧力螺栓。所有紧力螺栓均需用力矩扳手按标明的固定扭力矩数据进行固定和检查。 减速机与机械设备间的正确安装类同减速机与驱动电机间的正确安装。关键是要必须保证减速机输出轴与所驱动部分轴同心度一致。
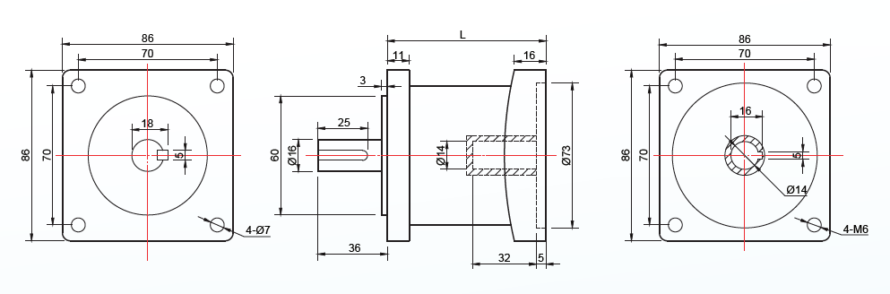
PX86系列行星减速器:

外形尺寸图:

其他型号及技术参数: 
联系人:李先生 电话:18010107283 QQ号码:2223199877 |