闭环步进电机就是步进电机和闭环控制的结合体,由于步进电机开环控制系统有精度不高、丢步等缺点,故在精度要求较高的场合可以采用步进电机的闭环控制系统,这种控制方式是直接或间接地检测出转予(或负载)的位置或速度,然后通过反馈和适当的处理,自动地给出步进电机的驱动脉冲序列,这个驱动脉冲序列是根据负载或转子的位置而随时变化的这种控制方式的实现方法很多,在要求精度很高的场合,结合微步驱动技术及微型计算机控制技术,可以实现很高的位置精度要求。

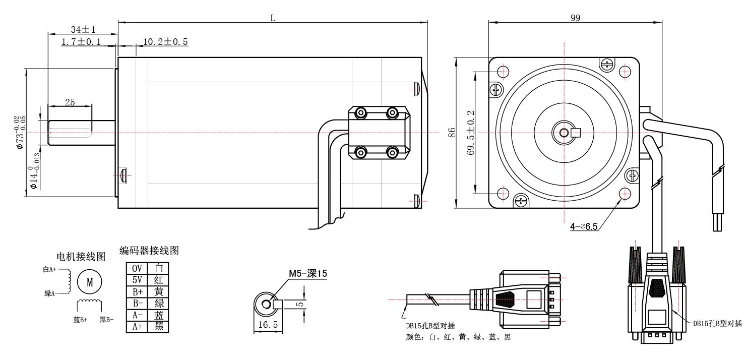
86系列全数字闭环高速大扭矩伺服步进套装 编码器电机86EBP111ALC-TK0静转矩5.0Nm,编码器1000P。编码器线长和电机线长为2000mm。电流范围0~6A,电压范围AC18~80V/DC24~110V。











特别推荐: 3.5NM系列全数字闭环伺服步进套装60EBP133ALC-TF0+ZDM-2HA860 4.0NM系列全数字闭环伺服步进套装60EBP143ALC-TF0+ZDM-2HA860 5.0NM系列全数字闭环伺服步进套装86EBP111ALC-TF0+ZDM-2HA860 8.5NM系列全数字闭环伺服步进套装86EBP147ALC-TF0+ZDM-2HA860 12.5NM系列全数字闭环伺服步进套装86EBP181ALC-TF0+ZDM-2HA860 联系方式:QQ:467102884
电话:13811070445(刘女士)
相关文章: 60系列闭环步进电机的广泛应用 86系列闭环步进电机的广泛应用 60系列闭环系列电机和驱动如何搭配使用 86系列闭环系列电机和驱动如何搭配使用 强大的功率放大器——步进电机驱动器 ******的步进驱动器型号命名规则 什么是闭环步进电机?
|