1 SD300 驱动器电源端子 TB 
2 控制信号输入/输出端子 CN1 控制方式简称:P 代表位置控制方式;S 代表速度控制方式;T 代表转矩控制方式。




3 编码器信号输入端子 CN2 
4 接口端子配置 上图 为伺服驱动器接口端子 CN1 配置图,CN1 为 36 芯接插件。下图 为伺服驱 动器接口端子 CN2 配置图,CN2 为 26 芯接插件。 公司在 2008 年6 月后生产的SD300 驱动器控制插头CN1、CN2 进行更换,S361/S261 插头芯簧片及焊片全部镀金处理,接触更可靠、焊接更方便,符合环保要求,插头芯由 3M 在日本生产 

5 输入/输出接口类型 .1 开关量输入接口 l 由用户提供电源,DC12~24V,电流≥100mA; 2 注意,如果电流极性接反,会使伺服驱动器不能工作。 .2 开关量输出接口 a. 继电器连接 VCC b. 光电耦合器连接
l 输出为达林顿晶体管,与继电器或光电耦合器连接; 2 外部电源由用户提供,但是必需注意,如果电源的极性接反,会使伺服驱动器损坏; 3 输出为集电极开路形式,****电流 50mA,外部电源****电压 25V。因此,开关量 输出信号的负载必须满足这个限定要求。如果超过限定要求或输出直接与电源连接, 会使伺服驱动器损坏; 4 如果负载是继电器等电感性负载,必须在负载两端反并联续流二极管。如果续流二 极管接反,会使伺服驱动器损坏; 5 输出晶体管是达林顿晶体管,导通时,集电极和发射集之间的压降 Vce约有 1V 左右, 不能满足 TTL 低电平要求,因此不能和 TTL 集成电路直接连接。 3 脉冲量输入接口 l 为了正确地传送脉冲量数据,建议采用差分驱动方式。 2 差分驱动方式下,采用 AM26LS31、MC3487 或类似的 RS422 线驱动器。 3 采用单端驱动方式,会使动作频率降低,****脉冲频率 200kHz。根据脉冲量输入电 路,驱动电流 10~15mA,限定外部电源****电压 25V 的条件,确定电阻 R 的数值。 经验数据:VCC=24V,R=1.3~2k;VCC=12V,R=510~820Ω;VCC=5V,R=82~120 Ω 。 4 采用单端驱动方式时,外部电源由用户提供。但必需注意,如果电源极性接反,会 使伺服驱动器损坏。 5 脉冲输入形式详见表 3.4,箭头表示计数沿,表 3.5 是脉冲输入时序及参数。当使用 2 相输入形式时,其 4 倍频脉冲频率≤500kHz。 
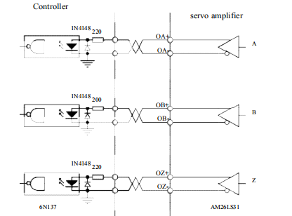
4 模拟输入接口 l 模拟输入接口是差分方式,根据接法不同,可接成差分和单端两种形式,输入阻抗 为 10kΩ。输入电压范围是-10V~+10V; 2 在差分接法中,模拟地线和输入负端在控制器侧相连,控制器到驱动器需要三根线 连接; 3 在单端接法中,模拟地线和输入负端在驱动器侧相连,控制器到驱动器需要两根线 连接; 4 差分接法比单端接法性能优秀,它能抑制共模干扰; 5 输入电压不能超出-10V~+10V 范围,否则可能损坏驱动器; 6 建议采用屏蔽电缆连接,减小噪声干扰; 7 模拟输入接口存在零偏是正常的,可通过调整参数 PA45 对零偏进行补偿; 8 模拟接口是非隔离的(非绝缘)。 9 编码器信号经差分驱动器(AM26LS31)输出。 l0 控制器输入端可采用 AM26LS32 接收器,必须接终端电阻,约 330Ω左右。 l1 控制器地线与驱动器地线必须可靠连接。 l2 非隔离输出。 l3 控制器输入端也可采用光电耦合器接受,但必须采用高速光电耦合器(例如 6N137)。 
.6 编码器 Z 信号集电极开路输出接口 l 编码器 Z 相信号由集电极开路输出,编码器 Z 相信号出现时,输出 ON(输出导通), 否则输出 OFF(输出截止); 2 非隔离输出(非绝缘); 3 在上位机,通常 Z 相信号脉冲很窄,故请用高速光电耦合器接收(例如 6N137) .7 伺服电机光电编码器输入接口 
6 SD300-5A 驱动器电源端子 TB 特别注意,与 SD300-2A/3A 驱动器相比,增加了外接制动电阻端子 B、P,一般情 况下,B、P 端子悬空,不需要外接电阻。当出现因减速时再生能量过大,内部制动电阻 不能完全吸收,导致出现 Err-2 过压报警或 Err-14 制动报警,可以酌情增加减速时间, 如果还出现报警,就需要通过 B、P 端子外接制动电阻,增强制动效果。外接制动电阻 阻值范围 40~200Ω,功率 100~50W,阻值越小,制动电流越大,所需制动电阻功率越 大,制动能量越大,但阻值太小可能会造成驱动器损坏,试验方法是阻值由大到小,直 到驱动器不再出现报警即可。外接制动电阻和内部制动电阻(约 40Ω)是并联连接。外接 制动电阻必须在驱动器下电 5 分钟后,等内部高压泄放完毕后才能操作。 B、P 端子由于和内部高压电路相连,在上电及刚下电 5 分钟内下不能触摸 B、P 端 子,防止触电,B、P 端子不能和其它端子相碰,防止出现短路,损坏驱动器。
联系人:王工 18501531992 |