闭环无刷电机驱动器 产品特性 1. FOC场定向矢量控制,降低运行噪音,支持速度闭环和速度开环控制。2.给定信号支持模拟量控制和PWM占空比控制。3.支持弱磁调速,能在小负载场合,超过额定转速50%运行。4.能直接外挂modbus数码显示,直接显示转速。5.带学习功能,可以学习电机相序和hall相序。6.供电电压+20V~50V。支持50~400W直流无刷电机(带hall信号)。7.内部隔离485(modbus协议RTU模式)(19200,8,N,1)控制方式。可以设定驱动器地址,简化控制系统。也可以直接通过PC机控制,并提供PC机测试软件。8.具有欠压,过压,堵转,过热保护。9.提供隔离输出的报警输出信号。 2. 驱动器典型接线图如下图所示,驱动器工作需要接上20~50VDC的电源,电压根据电机的额定电压来选择,电机的UVW和hall信号已做好插头,直接插在驱动器上,如果需要加长线可做转接线加长。此版本提供光耦输出的报警信号、速度信号,可以根据需要连接。 模拟电压模式通过给V-IN和GND之间电压信号以控制转速。0.5~4.5V信号对应0~Max_Speed(闭环模式:Max_Speed为“闭环****转速”,可以通过上位机设置。开环模式:Max_Speed为****占空比)。如果需要接电位器控制转速,请按典型接线图接电位器。 常见问题处理 1.如果脉冲控制端口DIR导通方向和我所需要的方向不同怎么改?答:可以通过上位机来设置DIR的极性,接上上位机后,modbus使能写1,DIR极性写0.最后参数保存标志写1.重新上电即可。2.比较小的负载,如何超过额定转速运行答:本款驱动器带弱磁调速功能,可以通过改变弱磁角度,超过额定转速运行。通过连接上位机软件设置。连上驱动器和电脑,能正常通行后。Modbus使能发送1。弱磁角度发送100(0~300代表0~30°,角度越大可以达到的****转速越高,但是可以输出的扭矩越小,根据自己的需要测试)。参数保存标志发送1.重新上电。再测 

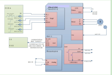
|