
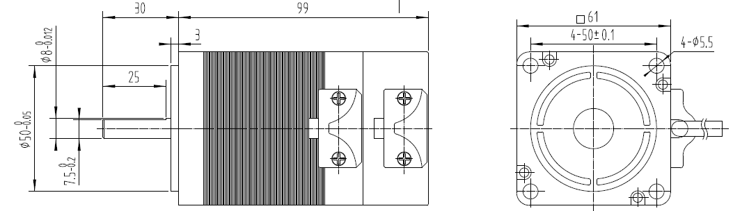
图为客户订购的一套60直流无刷电机驱动套装,此套装特点如下: 1. 运行模式包括速度模式和简单位置模式 2. 控制信号包括:内置电位器;外部模拟量;外部脉冲;485Modbus总线 3. 突出优点:速度精确;低速和静止可输出额定转矩;高速正反转直接切换,无需停止进行转换;上位机可通过485总线按照Modbus协议进行控制 电机参数尺寸表如下: 
尺寸图如下: 

ZM-6810M系列是时代超群研制的直流无刷电机驱动器产品,具有转速平稳,速度准确,低速力矩可达满载,电流堵转保持额定,正反转瞬时切换等特点,有效的克服了传统无刷电机的弱点,充分的体现了现代控制技术的先进性和智能性。该系列产品功率范围为50W-750W,支持 Modbus通信协议,采用对应的通信接口,配合上位机可实现多台驱动器联网运行。 驱动器有多重控制方法,包括内置或外置的模拟量输入速度控制;脉宽输入速度控制;脉冲+方向输入的简单位置跟随或定位控制。适用于电子制造、包装、机床等行业的自动化设备,以高性价比的方案实现快速精确的位置控制、速度控制。


联系方式:13811070445(刘女士) 
相关文章: 80系列伺服专用精密行星减速机配600W交流伺服电机驱动套装(LP) 24V直流50W伺服电机驱动套装配40系列精密行星减速机(LP) 86两相混合式步进电机配RV50蜗轮蜗杆减速机及128细分可调数字驱动器(LP) RV40蜗轮蜗杆减速机配600W交流伺服电机驱动套装(LP) 86两相7.5Nm步进电机配6速比行星减速机及128细分驱动器(LP) 2NM步进电机驱动控制套装配孔输出行星减速机(LP) 500W/4500转高速直流无刷电机配30A位置速度闭环控制驱动器 750W高压直流无刷电机配10速比行星减速机及5A低发热驱动器输出扭矩19NM 785W大功率直流无刷电机48V配24速比行星减速机输出每秒2转左右 210W直流无刷电机配4速比行星减速机及大电流无刷控制器 24V/180W直流无刷电机配8A驱动器配蜗轮蜗杆减速机 550W/1500转直流无刷电机配行星减速机和大电流高压控制器 100W直流无刷电机驱动套装配RV30蜗轮蜗杆40速比减速机 |