
图为时代超群165系列交流异步主轴伺服电机,高速6000转 8000转主轴电机采用交流380V供电,送五米编码器线,此驱动支持脉冲/模拟量控制,电机法兰130mm,功率从750W,1.1KW,1.5KW,1.8KW,2.2KW,3KW,4KW,5.5KW多种规格。 具体参数如下: 
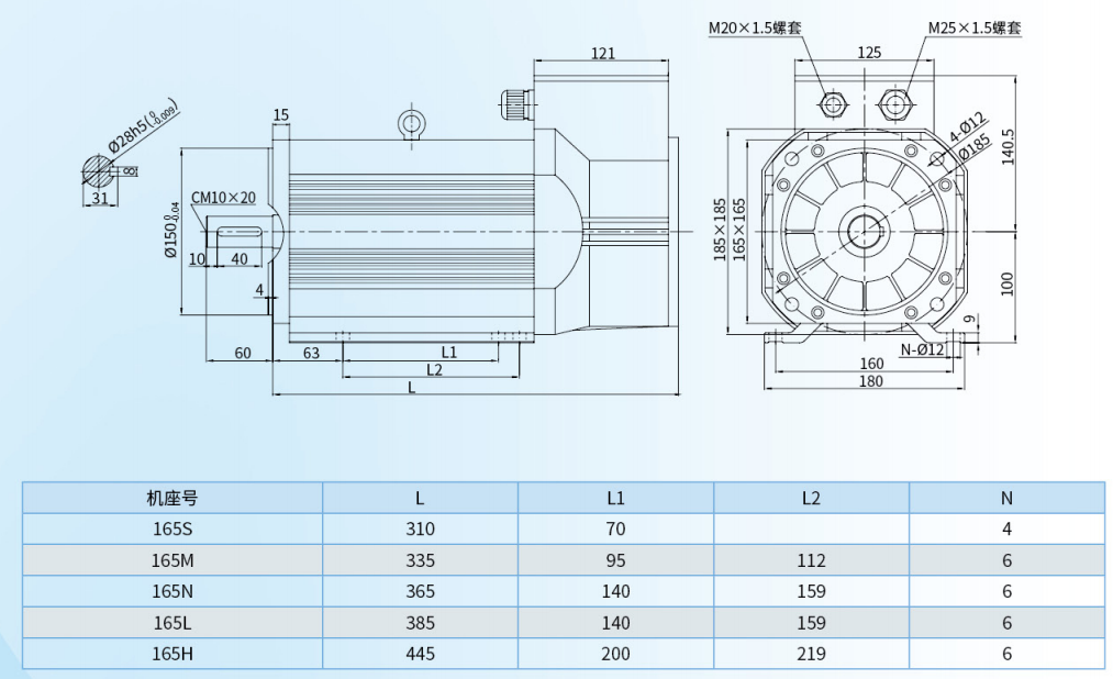
电机尺寸图: 
适配的驱动器 




联系方式:QQ:467102884 电话:13811070445(刘女士) 
相关文章: 80系列伺服专用精密行星减速机配600W交流伺服电机驱动套装(LP) 24V直流50W伺服电机驱动套装配40系列精密行星减速机(LP) 86两相混合式步进电机配RV50蜗轮蜗杆减速机及128细分可调数字驱动器(LP) RV40蜗轮蜗杆减速机配600W交流伺服电机驱动套装(LP) 86两相7.5Nm步进电机配6速比行星减速机及128细分驱动器(LP) 2NM步进电机驱动控制套装配孔输出行星减速机(LP) 400W直流供电伺服电机驱动套装配高性价比36速比行星减速机(LP) 地铁进站门用210W直流无刷电机配36速比行星减速机(LP) 40/42系列行星减速机配100W高压交流伺服电机驱动套装(LP) 35NM交流伺服电机驱动套装配180系列精密行星减速机(LP) 12.5NM闭环步进电机驱动套装配直角行星减速机(LP) 750W交流伺服电机驱动套装配4速比精密行星减速机(LP)
|