
客户定制单相220V供电,3.8KW,2500转大功率130伺服电机,具体参数如下: 
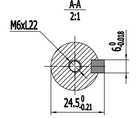
电机产品尺寸图如下: 
 

图为配套的E6总线驱动器 驱动器尺寸图如下: 
联系方式:13811070445(刘女士) 
相关文章: 80系列伺服专用精密行星减速机配600W交流伺服电机驱动套装(LP) 24V直流50W伺服电机驱动套装配40系列精密行星减速机(LP) 86两相混合式步进电机配RV50蜗轮蜗杆减速机及128细分可调数字驱动器(LP) RV40蜗轮蜗杆减速机配600W交流伺服电机驱动套装(LP) 86两相7.5Nm步进电机配6速比行星减速机及128细分驱动器(LP) 2NM步进电机驱动控制套装配孔输出行星减速机(LP) 400W直流供电伺服电机驱动套装配高性价比36速比行星减速机(LP) 地铁进站门用210W直流无刷电机配36速比行星减速机(LP) 40/42系列行星减速机配100W高压交流伺服电机驱动套装(LP) 35NM交流伺服电机驱动套装配180系列精密行星减速机(LP) 12.5NM闭环步进电机驱动套装配直角行星减速机(LP)
|