选型180伺服减速机,要考虑 减速机减速比 还有客户电机扭矩多大的。 如果适配电机扭矩比较小,我们可以选择160法兰的减速机做,如果客户电机扭矩比较大,要求输出扭矩比较大,需要考虑用180法兰减速做 客户选型:180伺服27NM 4.3KW 伺服,选型减速机5速比 根据计算公式:电机扭矩*减速比*减速机输出效率=减速后输出扭矩 计算所得27*5*90%=121.5NM 适配那种减速,我们要看减速相应速比下的额定输出扭矩能不能达到 
这是160法兰座的减速机,5速比,额定输出可达420NM ,是可以承受的,所以选择160法兰的即可 参数尺寸如下: 

 
如果不够我们还可以考虑180法兰的,额定承载能力更大。联系方式:13811070445(刘女士) 
上图为时代超群2010年新推出180ST系列高性能交流伺服电机驱动套装。180法兰大小伺服电机包含,220V规格:2.7KW,3KW,4.5KW,2.9KW,380V规格:4.3KW,3.7KW,5.5KW,7.5KW,电机采用日本内密控编码器,增量式编码器,可定做绝/对值式编码器,出力大,响应快,速度高,转动平滑,力矩稳定。 220V规格 
380V规格 
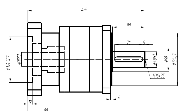
产品尺寸图如下: 
配套驱动SD300系列A的驱动器,数码管实时显示转速,按键可随时更改驱动参数;电路板表面喷涂厚层三防漆,防尘、防潮、防静电,抵制恶劣环境,驱动器内部采用井TI芯片、高品质保证。

联系方式:13811070445(刘女士)
淘宝店铺: 

相关文章:
|