|
|
|
| 当前位置:首页--传动机构-- |
 |
 |
|
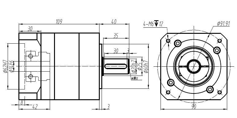
| 客户定制高精密圆法兰80直流无刷电机行星减速机(LP) |
| 2026年4月22日 |


图为客户定做的适配时代超群80系列直流无刷电机的高精密行星减速机,输出圆法兰。 
 
基本参数如下: 
可搭配以下系列时代超群直流无刷电机 
型号 | 额定电压 V | 额定功率 W
| 额定转矩 N.M | 额定转速 rpm | 空载转速 rpm | 额定电流 A | 空载电流 A
| 级对数 | 80BL100S40-430TK9
| 48
| 400
| 1.27
| 3000
| 4000
| 10.8
| 1.2
| 2
| 80BL100S40-445TK9
| 48 | 400 | 0.85
| 4500 | 6000 | 10.8 | 1.1 | 2 | 80BL110S50-430TK9
| 48
| 500 | 1.6
| 3000
| 4000
| 14.8
| 1.5
| 2 | 80BL110S50-445TK9
| 48
| 500 | 1.1 | 4500 | 6000 | 13.8 | 1.3 | 2 | 80BL145S55-445TK0
| 48 | 550 | 1.6 | 4500 | 6000 | 15 | 1.4 | 2
|
联系方式:13811070445(刘女士) 淘宝店铺: 

相关文章:
|
|
|
|
 |
|
|