|
|
|
| 当前位置:首页--无刷直流电机-- |
 |
 |
|
| 客户定做155V高压直流无刷电机1.5KW 1500转(LP) |
| 2026年4月23日 |

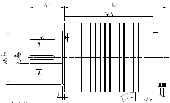
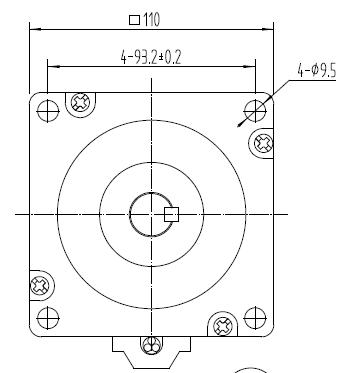
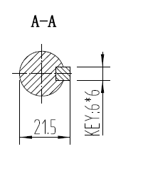
上图为时代超群客户定制直流无刷电110BL162S150-1515TK9,此款电机采用节能环保领域的骄子-钕铁磁硼钢,保证设备的良好性能。可用于抽油烟机、抽水机等家用器具,以及电控制器等。电机电压155V,功率1.5KW,转速1500转 ,其特点中低速大扭矩。具体参数如下: 
产品尺寸图如下: 
 
155V直流无刷适配的驱动是110V交流供电的。 联系方式:13811070445(刘女士) 淘宝店铺: 

相关文章:
|
|
|
|
 |
|
|