
图中电机为轴8MM的42两相混合式步进电机,机身高48MM,扭矩0.5N.m,电流1.7A,轴径Φ8MM,铣扁,轴长24mm,线长350MM。 那么如何给这种轴8MM的步进电适配一款告警米减速机呢? 
时代超群42高精密行星减速机结构紧凑,传动效率高。泛用于各种精密设备中,并要求更高的稳定性。 产品参数如下: 
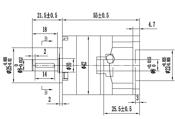
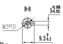
产品尺寸图如下: 
  
减速比对应的额定承载扭矩如下: 
0.5NM*10速比*96%效率=额定输出扭矩4.8Nm,在5Nm的额定承载范围内。 联系方式:13811070445(刘女士) 淘宝店铺: 

相关文章:
|