目前市场上的57系列行星减速步进电机具有以下一些:

57系列行星减速步进电机广泛适用于冶金、矿山、轻工、化工钢铁、水泥、印刷、制糖、食品、桷胶、酱菜、建筑、起重运输、风机等行业,并可供引进设备配套。
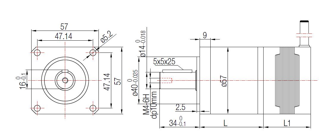
57系列电机可以搭配不同减速实现5\10\15\20\25等多种减速比的减速步进电机。 
举例:57HB76PL005S-TK0为57HBP76AL4-TKO搭配1:5的行星减速组合而成。可应用于扭矩达6.72Nm的设备上。 
联系方式:QQ:467102884 电话:13811070445(刘女士)
相关文章: 应用范围超级广的小齿轮减速电机系列 步进电机配减速的案例解析 什么是步进电机? 步进电机的型号规则、基本参数 步进电机的分类及区别
|